世界杯投注
网站首页
工作动态
公共服务
当前位置:首页 >
政策法规
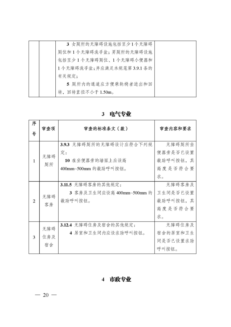
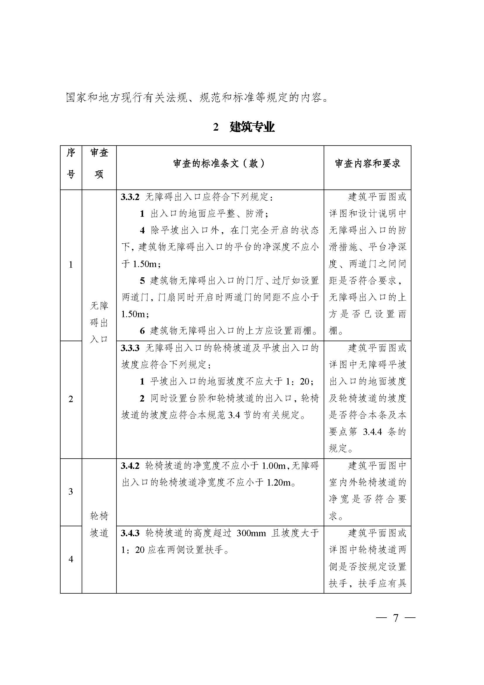
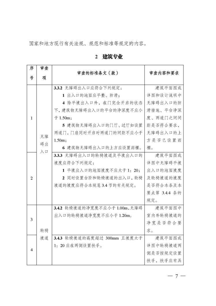
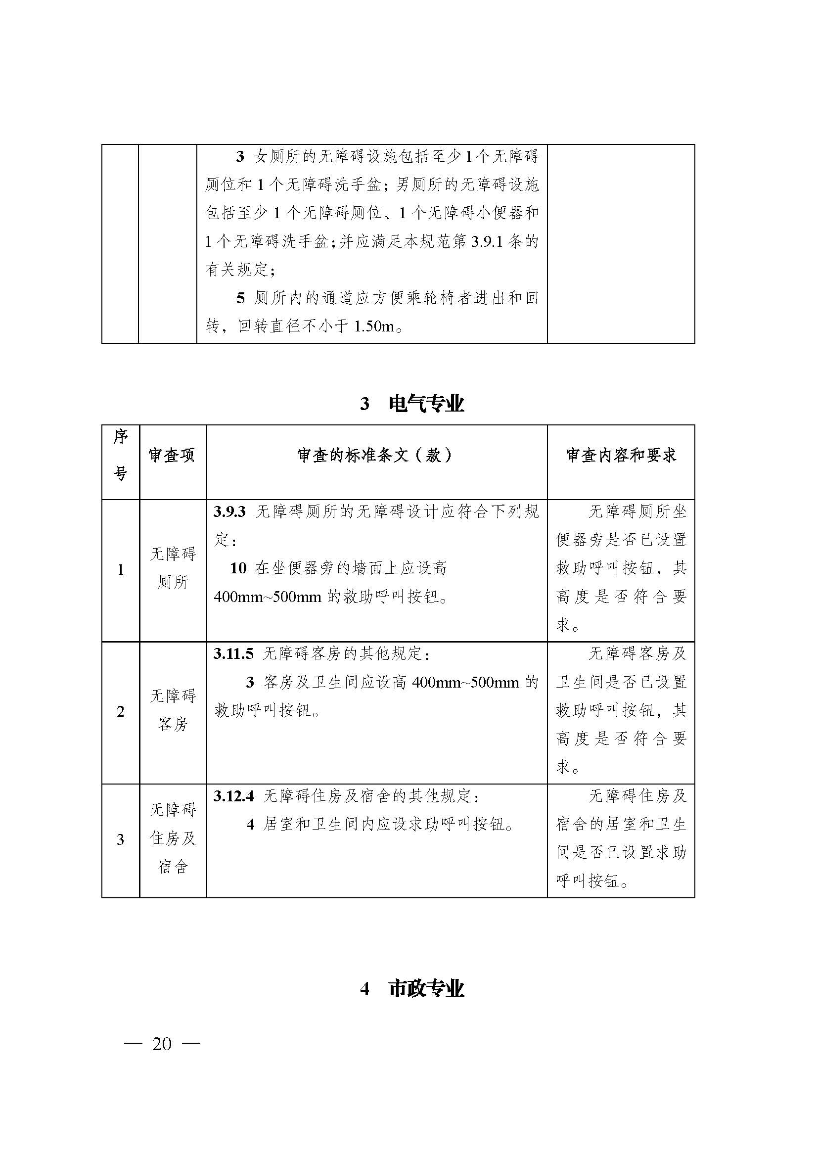
省住房城乡建设厅关于印发《江苏省民用建筑及市政工程施工图无障碍设计文件技术审查要点》的通知
时间:2022-01-18 13:16 来源:
分享到:
返回顶部
澳门威尼斯人博彩
威尼斯人体育
bet9九卅娱乐会员登录
LoL博彩网站
mg冰球突破豪华版